폐수재이용시스템
HOME > 사업분야 > 수질분야 > 폐수재이용시스템공정도공정도
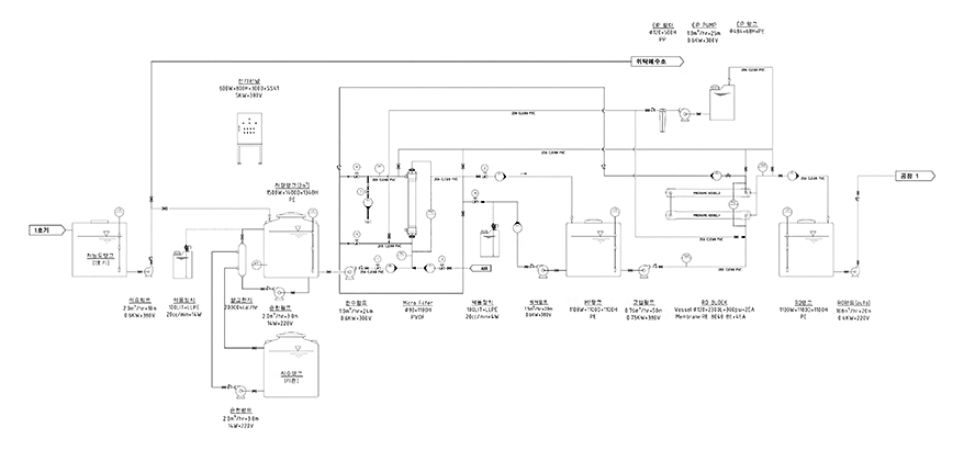
장치의 원리
생산공정에서 배출되는 폐수 가운데 유기폐수 및 산, 알칼리 폐수 등 비교적 오염도가 낮은 재이용 가능 수질에 대하여 활성탄 흡착과 이온교환공정,
때로는 각종 membrane 시설을 구성하여 원수로 재이용 함으로써 용수를 절감함과 아울러 환경친화적인 공장운영이 가능합니다.
적용분야
반도체 세척용수, 도금공장 세척수, 도금용수, 전착도장 용수
시설 이미지

이온교환재이용시설
여과재이용시설
RO재이용시설

