여과시설
HOME > 사업분야 > 수질분야 > 여과시설Lay outLay out
원리 및 특징
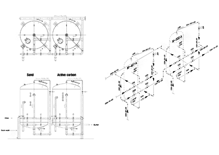
폐수처리 후 주로 후처리로서 잔존 유기물, ABS, 탈색, 탈취 등을 제거하는 목적으로 설치하며, 모래, 활성탄 등에 의한 여과, 흡착원리를 이용하여 처리하는 장치이다.
내부에 보통 3~4층의 굵기가 다른 여과재를 충진한 여과장치로서 상층은 가볍고 작은 여과재를 하층은 무겁고 굵은 여과재를 사용하여 여과층 전체에 걸쳐 불순물이 크기에 따라
걸러지게 된다.
적용분야
입상 활성탄 자체내에는 무수히많은 공극률을 가지고 있어 이곳에 통수되면 각종 오염물질이 흡착처리 된다.
사용여재
Gravel, Sand, Active carbon, Anthracite, Garnet




